|
地址:西安市经济技术开发区草滩三路588号A5号3层
电话:029-86113970
029-86319515
|
|
|
|
 |
产品展示 >> 半导体保护熔断器/钩叉系列 >> 450/500/690V AC aR KSZ系列熔断器 |
|
 |
额定电压等级为:450V,500V和690V AC,额定电流10A-2000A。
000、00、1、2、3五种规格尺寸。
本系列产品采用95瓷管,99.999%的纯银熔体,独特的石英砂固化工艺,接触面镀银处理。配有辅助触点(一常开一常闭)。
可用于保护二极管、晶闸管、可控硅整流器、GTO、IGBT、变频器、软起动器、等半导体器件和设备。主要应用于直流电机传动、中频电源、电化学、不间断电源、整流桥内部的短路保护。
|
| 000/00#技术参数
|
| Size
代号 |
Catalog Number
Kaiert公司订货号 |
Current rating
额定电流(A) |
I2t(×103A2S) |
| Pre-arc(弧前) |
Clearing(熔断) |
000 |
KSZ000-10A/690V AC |
10 |
0.0038 |
0.0255 |
| KSZ000-16A/690V AC |
16 |
0.0072 |
0.048 |
| KSZ000-20A/690V AC |
20 |
0.0115 |
0.078 |
| KSZ000-25A/690V AC |
25 |
0.019 |
0.13 |
| KSZ000-32A/690V AC |
32 |
0.004 |
0.27 |
| KSZ000-40A/690V AC |
40 |
0.069 |
0.46 |
| KSZ000-50A/690V AC |
50 |
0.115 |
0.75 |
| KSZ000-63A/690V AC |
63 |
0.215 |
1.45 |
| KSZ000-80A/690V AC |
80 |
0.385 |
2.70 |
| KSZ000-100A/690V AC |
100 |
0.70 |
4.58 |
| KSZ000-125A/690V AC |
125 |
1.35 |
9.00 |
00 |
KSZ00-16A/690V AC |
16 |
0.0045 |
0.024 |
| KSZ00-20A/690V AC |
20 |
0.0078 |
0.05 |
| KSZ00-25A/690V AC |
25 |
0.0115 |
0.09 |
| KSZ00-32A/690V AC |
32 |
0.042 |
0.28 |
| KSZ00-40A/690V AC |
40 |
0.07 |
0.48 |
| KSZ00-50A/690V AC |
50 |
0.12 |
0.81 |
| KSZ00-63A/690V AC |
63 |
0.25 |
1.56 |
| KSZ00-80A/690V AC |
80 |
0.38 |
2.55 |
| KSZ00-100A/690V AC |
100 |
0.7 |
4.65 |
| KSZ00-125A/690V AC |
125 |
1.25 |
8.5 |
| KSZ00-160A/690V AC |
160 |
2.35 |
16 |
| KSZ00-200A/690V AC |
200 |
4.23 |
28 |
| KSZ00-250A/690V AC |
250 |
7.78 |
51.5 |
| KSZ00-315A/690V AC |
315 |
12 |
80.5 |
|
 |
Size型号 |
Dimension 尺寸 |
D |
E |
F |
G |
H |
K |
| 000 |
40 |
21 |
20 |
51 |
8 |
2 |
| 00 |
51 |
30 |
28 |
67 |
10 |
2 |
|
| 1/2/3#技术参数
|
| Size
代号 |
Catalog Number
Kaiert公司订货号 |
Current rating
额定电流(A) |
I2t(×103A2S) |
| Pre-arc(弧前) |
Clearing(熔断) |
| 1 |
KSZ1-160A/690V AC |
160 |
1.25 |
7.8 |
| KSZ1-200A/690V AC |
200 |
1.65 |
11.5 |
| KSZ1-250A/690V AC |
250 |
3.1 |
21 |
| KSZ1-315A/690V AC |
315 |
6.3 |
42 |
| KSZ1-350A/690V AC |
350 |
8.4 |
59 |
| KSZ1-400A/690V AC |
400 |
13.5 |
91.5 |
| KSZ1-450A/690V AC |
450 |
17 |
120 |
| KSZ1-500A/690V AC |
500 |
25 |
170 |
| KSZ1-550A/690V AC |
550 |
34 |
230 |
| KSZ1-630A/690V AC |
630 |
53 |
350 |
| KSZ1-700A/690V AC |
700 |
69.5 |
465 |
| KSZ1-800A/690V AC |
800 |
104 |
725 |
| 2 |
KSZ2-400A/690V AC |
400 |
11 |
74 |
| KSZ2-450A/690V AC |
450 |
15.5 |
105 |
| KSZ2-500A/690V AC |
500 |
21.5 |
145 |
| KSZ2-550A/690V AC |
550 |
28 |
190 |
| KSZ2-630A/690V AC |
630 |
41 |
275 |
| KSZ2-700A/690V AC |
700 |
60.5 |
405 |
| KSZ2-800A/690V AC |
800 |
86 |
575 |
| KSZ2-900A/690V AC |
900 |
125 |
840 |
| KSZ2-1000A/690V AC |
1000 |
180 |
1250 |
| KSZ2-1100A/690V AC |
1100 |
245 |
1600 |
| KSZ2-1250A/690V AC |
1250 |
365 |
2400 |
| 3 |
KSZ3-500A/690V AC |
500 |
14 |
95 |
| KSZ3-550A/690V AC |
550 |
19.5 |
135 |
| KSZ3-630A/690V AC |
630 |
31 |
210 |
| KSZ3-700A/690V AC |
700 |
44.5 |
300 |
| KSZ3-800A/690V AC |
800 |
69.5 |
465 |
| KSZ3-900A/690V AC |
900 |
100 |
670 |
| KSZ3-1000A/690V AC |
1000 |
140 |
945 |
| KSZ3-1100A/690V AC |
1100 |
190 |
1300 |
| KSZ3-1250A/690V AC |
1250 |
290 |
1950 |
| KSZ3-1400A/690V AC |
1400 |
370 |
2450 |
| KSZ3-1500A/690V AC |
1500 |
460 |
3100 |
|
 |
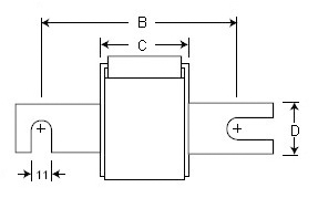
Size型号 |
Dimension 尺寸(熔断器总长110) |
DIN 80 |
A |
B |
C |
D |
| 1 |
53 |
80 |
45 |
25 |
| 2 |
60 |
80 |
45 |
25 |
| 3 |
75 |
80 |
45 |
30 |
|
 |
Size型号 |
Dimension 尺寸(熔断器总长140) |
DIN 110 |
A |
B |
C |
D |
| 1 |
53 |
110 |
65 |
25 |
| 2 |
60 |
110 |
65 |
25 |
| 3 |
75 |
110 |
65 |
30 |
| 注:DIN 80,安装尺寸80mm;DIN 110,安装尺寸110mm。用户定货时需注明。 |
|
| 熔断器对照互换表 |
| Size |
额定电流 |
KSZ000可替代如下型号 |
| A |
BUSSMANN |
?FERRAZ |
SIEMENS? |
SIBA |
| 000 |
10 |
170M1358 |
|
|
20 282 04 |
| 16 |
170M1359 |
6,9 gRB 000 D08V/016 |
|
| 20 |
170M1360 |
6,9 gRB 000 D08V/020 |
3NE8714-1 |
| 25 |
170M1361 |
6,9 gRB 000 D08V/025 |
3NE8715-1 |
| 32 |
170M1362 |
6,9 gRB 000 D08V/032 |
3NE8701-1 |
| 40 |
170M1363 |
6,9 gRB 000 D08V/040 |
3NE8702-1 |
| 50 |
170M1364 |
6,9 gRB 000 D08V/050 |
3NE8717-1 |
| 63 |
170M1365 |
6,9 gRB 000 D08V/063 |
3NE8718-1 |
| 80 |
170M1366 |
6,9 gRB 000 D08V/080 |
3NE8720-1 |
| 100 |
170M1367 |
6,9 gRB 000 D08V/100 |
3NE8721-1 |
| 125 |
170M1368 |
6,9 gRB 000 D08V/125 |
3NE8722-1 |
| Size |
额定电流 |
KSZ00可替代如下型号 |
| A |
BUSSMANN |
FERRAZ |
SIEMENS |
SIBA |
00 |
16 |
|
6,9 URB 00 D08L 016 |
|
|
| 20 |
|
6,9 URB 00 D08L 020 |
3NE8714 |
20 189 04 |
| 25 |
170M2608 |
6,9 URB 00 D08L 025 |
3NE8715 |
| 32 |
170M2609 |
6,9 URB 00 D08L 032 |
3NE8701 |
| 40 |
170M2610 |
6,9 URB 00 D08L 040 |
3NE8702 |
| 50 |
170M2611 |
6,9 URB 00 D08L 050 |
3NE8717 |
| 63 |
170M2612 |
6,9 URB 00 D08L 063 |
3NE8718 |
| 80 |
170M2613 |
6,9 URB 00 D08L 080 |
3NE8720 |
| 100 |
170M2614 |
6,9 URB 00 D08L 100 |
3NE8721 |
| 125 |
170M2615 |
6,9 URB 00 D08L 125 |
3NE8722 |
| 160 |
170M2616 |
6,9 URB 00 D08L 160 |
3NE8724 |
| 200 |
170M2617 |
6,9 URB 00 D08L 200 |
3NE8725 |
| 250 |
170M2618 |
6,9 URB 00 D08L 250 |
3NE8727 |
| 315 |
170M2619 |
6,9 URB 00 D08L 315 |
3NE8731 |
| Size |
额定电流 |
KSZ1可替代如下型号 |
| A |
BUSSMANN |
FERRAZ |
SIEMENS |
SIBA |
1
(DIN 80) |
160 |
|
|
|
20 612 32 |
| 200 |
170M4058 |
6,9 URD 31 D08A0200 |
|
| 250 |
170M4059 |
6,9 URD 31 D08A0250 |
|
| 315 |
170M4060 |
6,9 URD 31 D08A0315 |
|
| 350 |
170M4061 |
6,9 URD 31 D08A0350 |
|
| 400 |
170M4062 |
6,9 URD 31 D08A0400 |
|
| 450 |
170M4063 |
6,9 URD 31 D08A0450 |
|
| 500 |
170M4064 |
6,9 URD 31 D08A0500 |
|
| 550 |
170M4065 |
6,9 URD 31 D08A0550 |
|
| 630 |
170M4066 |
6,9 URD 31 D08A0630 |
|
| 700 |
170M4067 |
6,9 URD 31 D08A0700 |
|
| 800 |
170M4069 |
6,9 URD 31 D08A0800 |
|
1
(DIN 110) |
100 |
|
|
3NE3221 |
20 615 32 |
| 125 |
|
|
3NE3222 |
| 160 |
|
|
3NE3224 |
| 200 |
170M4158 |
6,9 URD 31 D11A0200 |
3NE3225 |
| 250 |
170M4159 |
6,9 URD 31 D11A0250 |
3NE3227 |
| 315 |
170M4160 |
6,9 URD 31 D11A0315 |
3NE3230-0B |
| 350 |
170M4161 |
6,9 URD 31 D11A0350 |
3NE3231 |
| 400 |
170M4162 |
6,9 URD 31 D11A0400 |
3NE3232-0B |
| 450 |
170M4163 |
6,9 URD 31 D11A0450 |
3NE3233 |
| 500 |
170M4164 |
6,9 URD 31 D11A0500 |
|
| 550 |
170M4165 |
6,9 URD 31 D11A0550 |
|
| 630 |
170M4166 |
6,9 URD 31 D11A0630 |
|
| 700 |
170M4167 |
6,9 URD 31 D11A0700 |
|
| 800 |
170M4168 |
6,9 URD 31 D11A0800 |
|
| Size |
额定电流 |
KSZ2可替代如下型号 |
| A |
BUSSMANN |
FERRAZ |
SIEMENS |
SIBA |
2
(DIN 80) |
400 |
170M5108 |
6,9 URD32 D08A0400 |
|
20 622 32 |
| 450 |
170M5109 |
6,9 URD32 D08A0450 |
|
| 500 |
170M5110 |
6,9 URD32 D08A0500 |
|
| 550 |
170M5111 |
6,9 URD32 D08A0550 |
|
| 630 |
170M5112 |
6,9 URD32 D08A0630 |
|
| 700 |
170M5113 |
6,9 URD32 D08A0700 |
|
| 800 |
170M5114 |
6,9 URD32 D08A0800 |
|
| 900 |
170M5115 |
6,6 URD32 D08A0900 |
|
| 1000 |
170M5116 |
6,6 URD32 D08A1000 |
|
| 1100 |
170M5117 |
6 URD32 D08A1100 |
|
| 1250 |
170M5118 |
5 URD32 D08A1250 |
|
2
(DIN 110) |
400 |
170M5258 |
6.9 URD32 D11A0400 |
3NE3332-0B |
20 625 32 |
| 450 |
170M5259 |
6.9 URD32 D11A0400 |
3NE3333 |
| 500 |
170M5260 |
6.9 URD32 D11A0400 |
3NE3334-0B |
| 550 |
170M5261 |
6.9 URD32 D11A0400 |
3NE3335 |
| 630 |
170M5262 |
6.9 URD32 D11A0400 |
3NE3336 |
| 700 |
170M5263 |
6.9 URD32 D11A0400 |
3NE3337-8 |
| 800 |
170M5264 |
6.9 URD32 D11A0400 |
3NE3338-8 |
| 900 |
170M5265 |
6.6 URD32 D11A0400 |
3NE3340-8 |
| 1000 |
170M5266 |
6.6 URD32 D11A0400 |
|
| 1100 |
170M5267 |
|
|
| 1250 |
170M5268 |
|
|
| Size |
额定电流 |
KSZ3可替代如下型号 |
| A |
BUSSMANN |
FERRAZ |
SIEMENS |
SIBA |
3
(DIN 80) |
500 |
170M6108 |
6,9 URD33 D08A0500 |
|
20 632 32 |
| 550 |
170M6109 |
6,9 URD33 D08A0550 |
|
| 630 |
170M6110 |
6,9 URD33 D08A0630 |
|
| 700 |
170M6111 |
6,9 URD33 D08A0700 |
|
| 800 |
170M6112 |
6,9 URD33 D08A0800 |
|
| 900 |
170M6113 |
6,9 URD33 D08A0900 |
|
| 1000 |
170M6114 |
6,9 URD33 D08A1000 |
|
| 1100 |
170M6115 |
6,9 URD33 D08A1100 |
|
| 1250 |
170M6116 |
6,9 URD33 D08A1250 |
|
| 1400 |
170M6117 |
6,9 URD33 D08A1400 |
|
| 1500 |
170M6118 |
6,9 URD33 D08A1500 |
|
3
(DIN 110) |
500 |
170M6258 |
6.9 URD33 D11A0500 |
|
20 635 32 |
| 550 |
170M6259 |
6.9 URD33 D11A0550 |
|
| 630 |
170M6260 |
6.9 URD33 D11A0630 |
|
| 700 |
170M6261 |
6.9 URD33 D11A0700 |
|
| 800 |
170M6262 |
6.9 URD33 D11A0800 |
|
| 900 |
170M6263 |
6.9 URD33 D11A0900 |
|
| 1000 |
170M6264 |
6.9 URD33 D11A1000 |
|
| 1100 |
170M6265 |
6.9 URD33 D11A1100 |
|
| 1250 |
170M6266 |
6.6 URD33 D11A1250 |
|
| 1400 |
170M6267 |
6.6 URD33 D11A1400 |
|
| 1500 |
170M6268 |
6 URD33 D11A1500 |
|
|
|
|