|
地址:西安市经济技术开发区草滩三路588号A5号3层
电话:029-86113970
029-86319515
|
|
|
|
 |
产品展示 >> 半导体保护熔断器/钩叉系列 >> 800V/1000V aR |
|
 |
额定电压等级为:800V和1000V AC,额定电流160A-1400A。
1、2、3三种规格尺寸。
本系列产品采用95瓷管,99.999%的纯银熔体,独特的石英砂固化工艺,接触面镀银处理。配有辅助触点(一常开一常闭)。
可用于保护二极管、晶闸管、可控硅整流器、GTO、IGBT、变频器、软起动器等半导体器件和设备。
主要应用于直流电机传动、中频电源、电化学、不间断电源、整流桥内部的短路保护。
|
| 技术参数
|
| Size
代号 |
Catalog Number
Kaiert公司订货号 |
Current rating
额定电流(A) |
I2t(×103A2S) |
| Pre-arc(弧前) |
Clearing(熔断) |
| 1 |
KSZ1-160A/1000V AC |
160 |
2 |
18 |
| KSZ1-200A/1000V AC |
200 |
4.4 |
32 |
| KSZ1-250A/1000V AC |
250 |
8.1 |
68 |
| KSZ1-315A/1000V AC |
315 |
13 |
145 |
| KSZ1-350A/1000V AC |
350 |
19 |
170 |
| KSZ1-400A/1000V AC |
400 |
35 |
300 |
| KSZ1-450A/1000V AC |
450 |
42 |
370 |
| KSZ1-500A/1000V AC |
500 |
63 |
430 |
| KSZ1-550A/1000V AC |
550 |
79 |
530 |
| KSZ1-630A/1000V AC |
630 |
120 |
800 |
| 2 |
KSZ2-280A/1000V AC |
280 |
8 |
74 |
| KSZ2-315A/1000V AC |
315 |
12 |
112 |
| KSZ2-350A/1000V AC |
350 |
19 |
160 |
| KSZ2-400A/1000V AC |
400 |
31.5 |
260 |
| KSZ2-450A/1000V AC |
450 |
42 |
350 |
| KSZ2-500A/1000V AC |
500 |
52 |
450 |
| KSZ2-550A/1000V AC |
550 |
63 |
540 |
| KSZ2-630A/1000V AC |
630 |
100 |
840 |
| KSZ2-700A/1000V AC |
700 |
140 |
900 |
| KSZ2-800A/1000V AC |
800 |
210 |
1300 |
| KSZ2-900A/1000V AC |
900 |
307 |
1700 |
| KSZ2-1000A/1000V AC |
1000 |
-- |
-- |
| 3 |
KSZ3-315A/1000V AC |
315 |
10 |
85 |
| KSZ3-350A/1000V AC |
350 |
15 |
130 |
| KSZ3-400A/1000V AC |
400 |
20 |
190 |
| KSZ3-450A/1000V AC |
450 |
30.5 |
280 |
| KSZ3-500A/1000V AC |
500 |
39 |
350 |
| KSZ3-550A/1000V AC |
550 |
52 |
450 |
| KSZ3-630A/1000V AC |
630 |
79 |
670 |
| KSZ3-700A/1000V AC |
700 |
105 |
890 |
| KSZ3-800A/1000V AC |
800 |
185 |
1520 |
| KSZ3-900A/1000V AC |
900 |
245 |
1860 |
| KSZ3-1000A/1000V AC |
1000 |
365 |
2120 |
| KSZ3-1100A/1000V AC |
1100 |
440 |
2460 |
| KSZ3-1250A/1000V AC |
1250 |
580 |
3040 |
| KSZ3-1400A/1000V AC |
1400 |
750 |
3600 |
|
 |
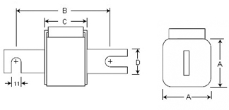
Size型号 |
Dimension 尺寸(熔断器总长140) |
DIN 110 |
A |
B |
C |
D |
| 1 |
53 |
110 |
70 |
25 |
| 2 |
60 |
110 |
70 |
25 |
| 3 |
75 |
110 |
71 |
30 |
| 注:用户定货时需注明DIN110,表示安装尺寸为110mm。
|
|
| 熔断器对照互换表
|
| Size |
额定电流 |
KSZ1可替代如下型号 |
| A |
BUSSMANN |
FERRAZ |
SIEMENS |
SIBA |
| 1 |
100 |
|
|
3NE3221 |
20 715 32 |
| 125 |
|
|
3NE3222 |
| 160 |
170M4965 |
12,5 URD 71 D11A0160 |
3NE3224 |
| 200 |
170M4966 |
12,5 URD 71 D11A0200 |
3NE3225 |
| 250 |
170M4967 |
12,5 URD 71 D11A0250 |
3NE3227 |
| 315 |
170M4968 |
12,5 URD 71 D11A0315 |
3NE3230-0B |
| 350 |
170M4969 |
12,5 URD 71 D11A0350 |
3NE3231 |
| 400 |
170M4970 |
12,5 URD 71 D11A0400 |
3NE3232-0B |
| 450 |
170M4971 |
12,5 URD 71 D11A0450 |
3NE3233 |
| 500 |
170M4972 |
11 URD 71 D11A0500 |
|
| 550 |
170M4973 |
11 URD 71 D11A0550 |
|
| 630 |
170M4974 |
10 URD 71 D11A0630 |
|
| Size |
额定电流 |
KSZ2可替代如下型号 |
| A |
BUSSMANN |
FERRAZ |
SIEMENS |
SIBA |
| 2 |
280 |
170M5966 |
12,5 URD 72 D11A0280 |
|
20 725 32 |
| 315 |
170M5967 |
12,5 URD 72 D11A0315 |
|
| 350 |
170M5968 |
12,5 URD 72 D11A0350 |
|
| 400 |
170M5969 |
12,5 URD 72 D11A0400 |
3NE3332-0B |
| 450 |
170M5970 |
12,5 URD 72 D11A0450 |
3NE3333 |
| 500 |
170M5971 |
12,5 URD 72 D11A0500 |
3NE3334-0B |
| 550 |
170M5972 |
12,5 URD 72 D11A0550 |
3NE3335 |
| 630 |
170M5973 |
11 URD 72 D11A0630 |
3NE3336 |
| 700 |
170M5974 |
10 URD 72 D11A0700 |
3NE3337-8 |
| 800 |
170M5975 |
10 URD 72 D11A0800 |
3NE3338-8 |
| 900 |
|
10 URD 72 D11A0900 |
3NE3330-8 |
| Size |
额定电流 |
KSZ2可替代如下型号 |
| A |
BUSSMANN |
FERRAZ |
SIEMENS |
SIBA |
| 3 |
315 |
170M8614 |
12,5 URD 73 D11A 0315 |
3NE3430 |
20 735 32 |
| 350 |
170M8615 |
12,5 URD 73 D11A 0350 |
|
| 400 |
170M8616 |
12,5 URD 73 D11A 0400 |
3NE3432 |
| 450 |
170M8617 |
12,5 URD 73 D11A 0450 |
3NE3635 |
| 500 |
170M8618 |
12,5 URD 73 D11A 0500 |
3NE3434 |
| 550 |
170M8619 |
12,5 URD 73 D11A 0550 |
|
| 630 |
170M8620 |
12,5 URD 73 D11A 0630 |
3NE3636 |
| 700 |
170M8621 |
12 URD 73 D11A 0700 |
3NE3637 |
| 800 |
170M8622 |
11 URD 73 D11A 0800 |
|
| 900 |
170M8623 |
10 URD 73 D11A 0900 |
|
| 1000 |
170M8624 |
9 URD 73 D11A 1000 |
|
| 1100 |
170M8625 |
9 URD 73 D11A 1100 |
|
| 1250 |
170M8626 |
|
|
| 1400 |
170M8627 |
|
|
|
|
|